【转】RS-485接口详解

1、RS485概述
串口是一种接口标准,它规定了接口的电气标准,简单说只是物理层的一个标准。没有规定接口插件电缆以及使用的协议,所以只要我们使用的接口插件电缆符合串口标准就可以在实际中灵活使用,在串口接口标准上使用各种协议进行通讯及设备控制。
典型的串行通讯标准是RS232和RS485,它们定义了电压,阻抗等,但不对软件协议给予定义
485(一般称作RS485/EIA-485)是隶属于OSI模型物理层的电气特性规定为2线,半双工,多点通信的标准。它的电气特性和RS-232大不一样。用缆线两端的电压差值来表示传递信号。RS485仅仅规定了接受端和发送端的电气特性。它没有规定或推荐任何数据协议。
2、RS485特点
接口电平低,不易损坏芯片。RS485的电气特性:逻辑“1”以两线间的电压差为+(2–6)V表示;逻辑“0”以两线间的电压差为-(2–6)V表示。接口信号电平比RS232降低了,不易损坏接口电路的芯片。
传输速率高。10米时,RS485的数据最高传输速率可达35Mbps,在1200m时,传输速度可达100Kbps。
抗干扰能力强。RS485接口是采用平衡驱动器和差分接收器的组合,抗共模干扰能力增强,即抗噪声干扰性好。
传输距离远,支持节点多。RS485总线最长可以传输1200m以上(速率≤100Kbps)一般最大支持32个节点,如果使用特制的485芯片,可以达到128个或者256个节点,最大的可以支持到400个节点。
3、RS485总线布局
RS485推荐使用在点对点网络中,线型,总线型,不能是星型,环型网络。理想情况下RS485需要2个匹配电阻,其阻值要求等于传输电缆的特性阻抗(一般为120Ω)。没有特性阻抗的话,当所有的设备都静止或者没有能量的时候就会产生噪声,而且线移需要双端的电压差。没有终接电阻的话,会使得较快速的发送端产生多个数据信号的边缘,导致数据传输出错。485推荐的连接方式:

在上面的连接中,如果需要添加匹配电阻,我们一般在总线的起止端加入,也就是主机和设备4上面各加一个120Ω的匹配电阻。
4、RS485内部结构
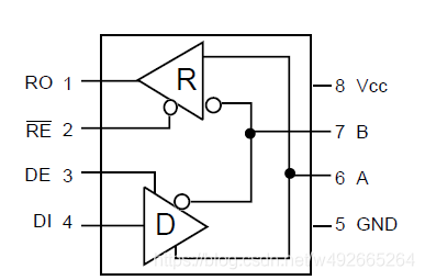
收发器SP3485

图中A、B总线接口,用于连接485总线。RO是接收输出端,DI是发送数据收入端,RE是接收使能信号(低电平有效),DE是发送使能信号(高电平有效)。
原文链接:https://blog.csdn.net/w492665264/article/details/111505533
技术 2022-06-24 20:45:03 通过 网页 浏览(32)
共有0条评论!