【链】Precision Workstation T3610/T5610/T7610系统的电源和诊断LED的配置状态

点击图片,进入链接。文章详细记录了T3610/T5610/7610系统的电源和诊断LED的配置状态,对判断系统问题有极强的指导性作用。

2022-09-08 通过网页

DB9接口定义

#图片分享

2022-08-25 通过网页

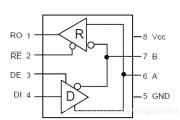
分享两款门禁电源的说明书

分享两款门禁电源说明书。第一款为传统变压器电源,第二款为开关电源。

2022-08-09 通过手机

E840-DTU MQTT接入Onenet视频教程

E840-DTU MQTT接入Onenet视频教程。从创建设备、添加产品,到联网调试,接入Onenet

2022-06-30 通过网页

【转】RS-485总线扫盲

RS-485概述RS-485和RS-232一样,都是串行通信标准,现在的标准名称是TIA485/EIA-485-A,但是人们会习惯称为RS-485标准,RS-485常用在工业、自动化、汽车和建筑物管理

2022-06-24 通过网页

【转】RS-485接口详解

典型的串行通讯标准是RS232和RS485,它们定义了电压,阻抗等,但不对软件协议给予定义。485(一般称作RS485/EIA-485)是隶属于OSI模型物理层的电气特性规定为2线,

2022-06-24 通过网页

高清直播编码器设置教程

高清直播编码器设置视频教程

2022-05-26 通过网页

【转】video标签播放m3u8格式视频流完整代码

2022-04-21 通过网页

直播摄像头参数要求及摄像头焦距选择

#图片分享

2022-04-10 通过网页

【私密】海量音乐资源下载地址及方法

这是一篇密码日志!

2022-02-22 通过网页

VAT1100 系列无线电压电流表/库仑计

VAT 系列是一款基于 2.4G 无线数据传输技术的多功能仪表,是一款能够测 量电压、电流、功率、充放电容量、瓦时、时间、温度等多种物理参数,同时 可以进行过流保护、过压保护、欠压保护、及限时保护等多

2022-02-10 通过网页

2022中师生春晚

中师生是中国基础教育的基石与脊梁,撑起了中小学教育的大半个天空。一代中师生,一直默默奉献在教育一线,历史不该被忘记。

2022-02-09 通过网页

目博士MBS-323温湿度显示时钟操作说明

#图片分享

2022-01-26 通过网页

【转】pwm控制器和mppt控制器的区别

  pwm控制器脉宽调制(PWM)是指用微处理器的数字输出来对模拟电路进行控制,是一种对模拟信号电平进行数字编码的方法。以数字方式控制模拟电路,可以大幅度降低系统的成本和功耗。许多微控制器内都包含PW

2022-01-18 通过网页

CANON M3操作视频教程

  EOS M3配备了可牢牢握持机身的大型手柄。可为专用按钮及转盘等分配使用频率较高的功能,具备高操作性。借助最大可向上旋转约180°、向下旋转约45°的可翻转液晶监视器,更

2022-01-14 通过网页

WIN2008文件共享方案

  文件服务器现在基本是每个企业都会选择搭建,可以方便企业内部各类文件的分享使用,那么文件服务器如何搭建呢?下面小编将从2个方面跟大家分享一下在win2008环境在搭建文件服务器的方法。

2022-01-14 通过网页

21款ix35室内保险分布图

21款北京现代ix35室内保险分布图(驾驶室内)

2021-12-30 通过网页

凤凰树(29):阳光普照凤凰村

  阳光从山谷慢慢地升起来,照在凤凰树上,照在凤凰山上,照在凤凰村的山山岭岭,照在凤凰村人的心里。 尾声   这一年,我国航空发动机关键部件的九轴五联动数控机床研制成功

2021-12-23 通过网页

凤凰树(28):凤凰树下添新冢

  余然、范念遵从父亲的嘱咐,把老校长葬在凤凰树下,母亲墓地的旁边。坟前鲜花簇拥,人群黑压压站满了整个山头。空旷的山谷,薄雾屏住了呼吸,鸟儿停止了啼鸣。

2021-12-22 通过网页

凤凰树(27):老校长骤然离世

  老校长在这个凌晨5:10分,停止了呼吸。老校长在范念飞机落地四川的凌晨,告别了他挚爱的凤凰村。   夏天说来就来。6月底的气温竟然升到30度。这天晚上,洗过澡的老校长突然

2021-12-21 通过网页